1真空排水系统的组成和原理
真空排水系统分为室外真空排水系统和室内真空排水系统。室外真空排水系统一般由用户污水收集器(洗手盆、洗浴盆、地漏、卫生器具等)、排出管、收集箱、真空管道、真空泵站(收集罐、真空泵、排污泵)、除臭设施和在线监测系统组成。室内采用真空排水系统时可直接与室外真空排水系统连接,非真空卫生器具排水可通过收集箱与室外真空排水系统连接。
真空排水系统的基本原理是以负压为驱动力,对污水进行抽吸与输送。平时管网中保持一定的真空状态,当收集箱污水达到一定液位后开启真空界面阀, 系统内外压差将污水及几倍于污水体积的空气抽吸到真空管道中,污水经真空管道的传输进入真空收集罐,罐内收集的污水最后经污水泵序批排出,见图1。

2设计要点
1、系统布置
为便于用户重力管或压力管接入,收集箱应靠近污水排出点,一户或多户居民可设置一个收集箱;不宜设置在有车辆、行人经过的地方。当排水量小于或等于4L/s时,宜设单个真空阀的收集箱。当排水量大于4L/s时,宜设两个真空阀的收集箱。
真空泵站宜布置于真空排水系统中心或地势低的位置,与周围建筑物的距离不应小于25m,与生活给水泵房、水源、水池的距离不应小于10m,当达不到要求时,应采取有效的防污染措施。真空排水系统布置见图2。

2、接户管
村落生活污水主要包括洗涤、淋浴、厨房(饭店)、厕所污水。为了避免真空管道堵塞,污水排入收集箱前,厨房、饭店污水必须建造隔油池,厕所污水必须建造化粪池,收集箱前设置格栅井。住户至真空收集箱污水收集示意见图3。
(1)住户、饭店卫生间污水、厨房污水和洗涤污水等各类排污口接管要求全部接入新建系统中,接户管安装一般应遵循横平竖直的原则,以保持使用和外观整洁。
(2)接户管可选用管径范围75~160mm,管材一般选用UPVC管。厨房的排水管径采用75mmUPVC管,农户卫生间污水到化粪池前的排水管径不小于110mmUPVC管,化粪池出水到支管的排水管径采用110mmUPVC管。
(3)出户管坡度:管径选用75mm,坡度2%;管径选用110mm、160mm,坡度1%。
(4)为防止臭气回溢,须在卫生间、厨房出水立管设置"S"型存水弯。若不能满足最小离地距离,可在埋地横管设置"P"型存水弯。
(5)户外裸露接户管应采取防冻防晒措施,一般可用保温材料包扎管道,并用胶带捆扎。
(6)设置在户外的洗涤池要规范砌筑一槽或几槽,板上洗涤污水收集入槽,槽内污水用软管收集接入管网,且收集软管与槽池底部必须连接严密,连接处要做好防漏处理。

3、真空管网
真空管网主要有由真空支管、真空主管、检查井和相关附件组成。真空管管径按照污水量计算确定,管径较小,一般为dn65~dn250。单个真空站的真空主管长度不宜大于4km,真空管道累积提升不超过3.5米。真空管网沿路敷设采用开挖施工,沿沟渠敷设采用支架架设施工。管道纵向、水平偏转夹角宜大于45°。真空管道施工应保证密闭性,管道连接处应保证管道内部光滑,不得采用90°弯头、三通,应采用45°弯头、斜三通。
(1)当地面为上坡、水平或坡度小于2‰时,真空管道以不小于2‰的坡度向下敷设。管道需提升时,采用锯齿式向上提升。支管提升不宜超过1个,集水箱和提升段的距离≥1.5 m,集水箱和真空干管的距离≤30m。支管接入位置宜在干管锯齿底部水平距离6m内,不宜设置在锯齿顶部6m内。连续提升时,提升弯之间的水平距离不应小于6m,且不应大于100m。真空管道敷设示意见图4。
(2)当地面自然坡度>2‰时,真空污水管道敷设坡度宜采用地面自然坡度,见图5。


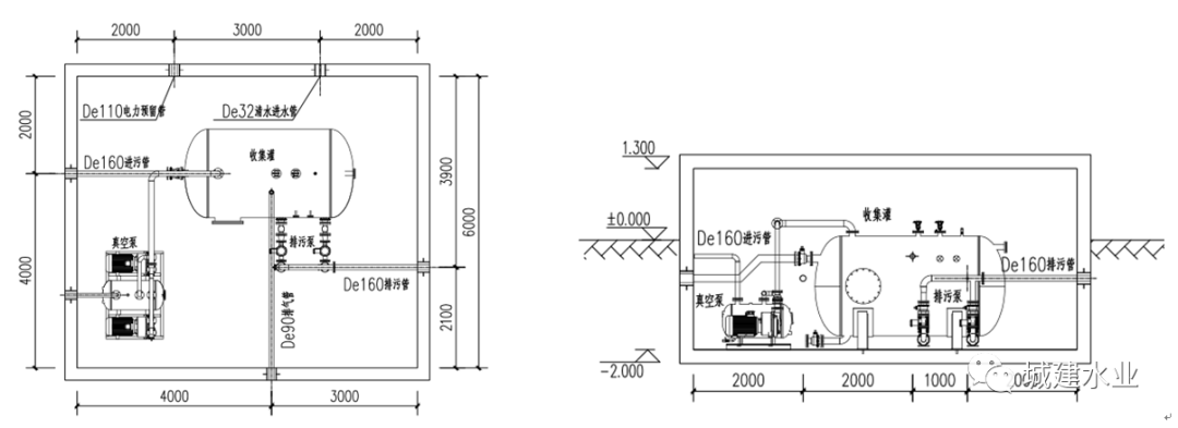
4、真空站
真空站有两种形式,一种为在线式,由凸能泵、蓄能罐组成;另一种为集中式,由真空泵、污水泵、真空罐组成。
在线式仅设置一个蓄能罐,不设置真空收集罐,凸能泵具有抽真空和污水排出功能。集中式通过真空泵在系统中产生负压,利用污水泵排出。前者设备体积小,布置灵活,适用于卫生器具较少,1~2个卫生间共用一套在线式系统,见图6。后者适用于同一建筑物、小区、住宅群的室外真空排水系统,见图7。


污水收集至真空罐后,排污最简便的方式是先破除罐内真空,并停止污水收集,再利用排污泵、高压气体或真空泵反转产生正压加速排放。由于污水不间断排放,往往要求真空罐排污时不允许停止污水的收集。针对排水系统特殊性,目前,有三种解决方法:
(1)双真空罐交替集污与排污,其中一罐破除真空后利用排污泵加速排污,同时另一罐收集污水。
(2)二级真空罐,即一个真空罐分上、下两个腔室。集污时上、下腔室连通,污物由上腔室进人,在重力作用下落入下腔室。排污时上腔室保持负压并持续收集,下腔室与大气连通,用排污泵加速排污,排污完成后上下腔室再次连通。与双真空罐相比,二级真空罐方式所需设备小,真空罐容积利用率高。
(3)单真空罐带负压排放。污水收集量达设计容积时不破坏真空,使用大扬程排污泵强制排放。
目前,单真空罐带负压排放是国内外真空罐排放的主流技术,应采用真空罐一排污泵一平衡管的组合。相比于前两者,此种污水排放方式的设备及控制更为简单,投资及占地更小,且不会因周期破坏真空而浪费系统真空动力,但对排污泵扬程、气蚀余量和系统气密性等性能有更高要求。
5、废气排放和处理
真空站排气应符合现行国家标准《恶臭污染物排放标准》GB 14554 的规定,有条件时可高空排放。当不能满足要求时,应设置净化装置对真空泵排出废气进行处理。
3工程案例
皖南某古村落街道狭窄,排水沟渠多,民居基础多为鹅卵石,地质条件不利于管道施工,地下敷设重力污水管道无法保证建筑的安全,采用传统污水收集方式面临着巨大风险与挑战。经过技术、经济比较,最终选用集中式室外真空排水系统。
该古村落南北约600m,东西约400m,地形较平坦,地势北高南低,西高东低。为了便于将村落的污水输送至污水处理厂,将真空站设于村落东南侧,该处为绿化建设用地,且地势低,有利于真空管道的敷设,同时满足真空站的选址要求。村落为旅游区,为不破坏村落原有风貌,真空站设计为半地下式。
该村落居民人数约2300人,生活污水设计排水量约120m³/d。工程设置收集井62座,de63真空管900m,de160真空管2300m,真空收集站1套,收集站平面尺寸为7m×6m。采用单真空罐带负压排放,罐体体积8.0m3,罐体真空度-40~-60kpa;水环真空泵2台,抽气量400m3/h;排污泵2台,流量为65m3/h。



4结语
(1)真空排水系统较传统重力排水系统复杂、投资费用高,但传统排水技术难以实施时,真空排水系统却不受外部条件限制,其技术性、经济性优于传统排水系统。
(2)为使污水收集取得更好效果,接户管工程应按规范同步实施。实施过程中应加强监督和管理,保证每家每户污水均能收集到排污系统中去。
(3)加强排污系统后期管养,聘请专业技术人员,为每家每户提供技术支持,并对收集管路、真空泵、监控设备等进行定期检查和维护。
(4)继续探索室外真空排水技术在我国城镇、村落污水治理中的应用模式,开展适用技术和设备的研发、引进,提高其可靠性、可控性,通过标准化及模块化降低投资、使用及维护成本。
作者:王文斌












